Aktuelle Zeit: Sa 8. Apr 2023, 15:13

Alle Zeiten sind UTC + 1 Stunde [ Sommerzeit ]


Forumsregeln


Die Forumsregeln lesen



Ein neues Thema erstellen Auf das Thema antworten  [ 13 Beiträge ] 
Autor Nachricht
 Betreff des Beitrags: Re: Kellermänner blinken nicht
BeitragVerfasst: Do 3. Mär 2011, 22:29 
Offline
XJR-Newbie
XJR-Newbie
Benutzeravatar

Registriert: Sa 12. Jun 2010, 22:08
Beiträge: 39
Motorrad: XJR1300 RP01
Geschlecht: Männlich
Was hast du denn für einen Lenker drauf?
Könnte ja sein das Masse fehlt, falls du einen farbigen Lenker hast z.B.


Nach oben
 Profil  
Mit Zitat antworten  
 Betreff des Beitrags: Re: Kellermänner blinken nicht
BeitragVerfasst: Do 3. Mär 2011, 23:07 
doofe Frage SIcherung durch?


Nach oben
  
Mit Zitat antworten  
 Betreff des Beitrags: Re: Kellermänner blinken nicht
BeitragVerfasst: Do 3. Mär 2011, 23:08 
Hast Du das rote Relais von der Tante? Überbrück mal das Relais, dann müssten sie wenigstens leuchten, wenn sie das tun, vertausch mal die Anschlüsse am Relais. Hast Du noch zwei Blinkerkontrollleuchten? Stöber mal beim Stray nach, dem seine Baustelle konnten wir auch sanieren.Viel Erfolg


Nach oben
  
Mit Zitat antworten  
 Betreff des Beitrags: Re: Kellermänner blinken nicht
BeitragVerfasst: Do 3. Mär 2011, 23:11 
LED? Vorne und hinten LED?Lenkerendenblinker? Wenn ja masse kontrollieren. Halt den Kellermann mal an ein nicht gelacktes Teil!
Gehen die Kontrolleuchten? Evtl mal Relais die Pole tauschen?!Warnblinklicht haste oder nicht? Wenn ka funzt oder nicht?!


Nach oben
  
Mit Zitat antworten  
 Betreff des Beitrags: Re: Kellermänner blinken nicht
BeitragVerfasst: Do 3. Mär 2011, 23:18 
DAt schwarze tat bei mir nicht! Das rote wohl!!Warum auch immer


Nach oben
  
Mit Zitat antworten  
 Betreff des Beitrags: Re: Kellermänner blinken nicht
BeitragVerfasst: Fr 4. Mär 2011, 07:57 
Blöde Idee, aber versuchs doch mal mit dem org. Blinkrelais. Blinken halt dann zu schnell aber Du siehst ob ne funktion da ist. Kannst ja dann immer noch einen Balastwiederstand einbauen.


Nach oben
  
Mit Zitat antworten  
 Betreff des Beitrags: Re: Kellermänner blinken nicht
BeitragVerfasst: Fr 4. Mär 2011, 10:41 
Hatte genau das selbe Problem nach dem Umbau !
Bei mir war es ein durchgescheuertes Kabel das im Lenker lag und hatte ein Masse Kurzschluss herbeigeführte.
Also Kabel Checken !


Nach oben
  
Mit Zitat antworten  
 Betreff des Beitrags: Re: Kellermänner blinken nicht
BeitragVerfasst: Fr 4. Mär 2011, 12:37 
Hatte auch das Problem mit den Kellermännern.
Trotz Lastunabhängiges blinkte es nicht.
Hatten es beim Händler provisorisch nachgebaut, mit einer Batterie und dem Relais. Er wollte mir ja nicht glauben..
Ging erst mit einen Widerstand mit im Kreis.


Nach oben
  
Mit Zitat antworten  
 Betreff des Beitrags: Re: Kellermänner blinken nicht
BeitragVerfasst: Fr 4. Mär 2011, 14:39 
haha klasse probleme.
bei mir war es noch ein bissel anders.
ich kam mit dem relais von louise nich klar, warum auch immer.
von gericke klappte es?!?
versuchs mit dem oroiginalem relais, blinkt bloß schneller. wenn´s dann immer noch nicht klappt, kabelei prüfen.


Nach oben
  
Mit Zitat antworten  
 Betreff des Beitrags: Re: Kellermänner blinken nicht
BeitragVerfasst: So 6. Mär 2011, 08:20 
Offline
XJR-Forenkenner
XJR-Forenkenner

Registriert: So 27. Sep 2009, 04:28
Beiträge: 469
Wohnort: Waltrop
Motorrad: XJR 1300 RP06
Geschlecht: Männlich
nosok88 hat geschrieben:
Hallo,
war Heute in der Garage, hab meine Dicke angelassen, dabei hab ich festgestellt, dass die komplette Tachoeinheit nicht funktioniert und die Hupe auch. Kann sein, dass doch ne Sicherung im Eimer ist?


Sicherungen nachschauen! Und dann noch einmal melden.
Gruß
Jörg

_________________
Gruß
Jörg
____________

XJR-Stammtisch Castrop


Nach oben
 Profil Position des Users auf der Mitgliederkarte  
Mit Zitat antworten  
 Betreff des Beitrags: Re: Kellermänner blinken nicht
BeitragVerfasst: So 6. Mär 2011, 09:31 
Jup dann isset wohl ne Sicherung!!


Nach oben
  
Mit Zitat antworten  
 Betreff des Beitrags: Re: Kellermänner blinken nicht
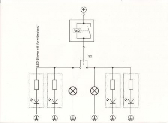
BeitragVerfasst: Do 10. Mär 2011, 17:07 
Bild

So muss das sein. Wenn es die Sichering durchwixt, hast Du irgendwo was falsch gemach. Kontolliere noch mal alles, was Du so gemacht hast, Sind die Kabel auch ordentlich in die dazugehörigen Kabelschuhe? Kann nichts an Masse scheuern? Hast Du dir das rote Relais von Louis gekauft und richtig angeschlossen?

Gruß Nachbrenner


Nach oben
  
Mit Zitat antworten  
 Betreff des Beitrags: Re: Kellermänner blinken nicht
BeitragVerfasst: Do 10. Mär 2011, 22:16 
nosok88 hat geschrieben:
So, fertig alles funktioniert. Relais war falsch angeschlossen ::oops:. Neue Sicherung rein Relaisanschlüsse vertauscht und dann hats funktioniert. Hab dann alles schön isoliert und verpackt. :mrgreen: Vielen Dank allen für die Hilfe.


da sieht man doch mal wieder wie robust die Dicke gebaut ist,sie verzeiht alles. :mrgreen: :whistle:


Nach oben
  
Mit Zitat antworten  
Beiträge der letzten Zeit anzeigen:  Sortiere nach  
Ein neues Thema erstellen Auf das Thema antworten  [ 13 Beiträge ] 

Alle Zeiten sind UTC + 1 Stunde [ Sommerzeit ]


Wer ist online?

0 Mitglieder


Ähnliche Beiträge

Kellermänner...
Forum: Elektrik/Instrumente/Armaturen
Autor: Anonymous
Antworten: 4
Gasgriff und Masse Kellermänner
Forum: Technik allgemein
Autor: MadDog
Antworten: 5
Led Blinker Stripes blinken nur halb!
Forum: Elektrik/Instrumente/Armaturen
Autor: Anonymous
Antworten: 8
Kellermänner BL 1000
Forum: Elektrik/Instrumente/Armaturen
Autor: Anonymous
Antworten: 1
Warum? beim blinken sackt der Saft ab!
Forum: Elektrik/Instrumente/Armaturen
Autor: Anonymous
Antworten: 7

Tags

Bau, NES, Uni

Du darfst keine neuen Themen in diesem Forum erstellen.
Du darfst keine Antworten zu Themen in diesem Forum erstellen.
Du darfst deine Beiträge in diesem Forum nicht ändern.
Du darfst deine Beiträge in diesem Forum nicht löschen.
Du darfst keine Dateianhänge in diesem Forum erstellen.

Suche nach:
Gehe zu:  
cron
Powered by phpBB® Forum Software © phpBB Group



Hosted by iphpbb3.com
Beliebteste Themen: Bau, USA, Erde

Impressum | Datenschutz